设为首页
|
加入收藏
|
网站地图
网站首页
公司简介
产品展示
新闻中心
行业知识
销售网络
联系我们
产品分类
product
h型冷水空气液压专用
Q型蒸汽专用
D型热水专用
双锥干燥机专用旋转接头
印染烟机专用旋转接头
虹吸专用GX型虹吸软管
高压旋转接头
塑料厂专用接头
钢厂多路通旋转接头
钢厂回转往复式DN型旋转接头
钢厂连铸机埋入式旋转接头
金属软管系列
TYPE型扳把式快换接头
管道补偿器系列
配件
导热油旋转接头QR型
联系我们
山东总公司
电话:0632-5675080
邮箱:cnsdjm@163.com
联系人 侯钦秀
手机:13863259286 18763201599微信同号
邮 编:277500
网址:http://www.jmxzjt.com
地址:山东省滕州市姜屯镇大彦工业园区
主页
>
产品展示
>
TYPE型扳把式快换接头
>
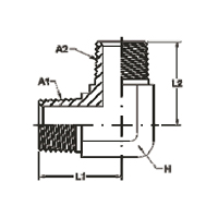
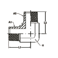
过渡接头
规格
D
A1
A2
H
L1
L2
5500-02-02
1/8
1/8-27
1/8-27
1/2
-
-
5500-04-02
1/4
1/4-18
1/8-27
5/8
-
-
5500-04-04
1/4
1/4-18
1/4-18
5/8
-
-
5500-06-02
3/8
3/8-18
1/8-27
3/4
-
-
5500-06-04
3/8
3/8-18
1/4-18
13/16
-
-
5500-06-06
3/8
3/8-18
3/8-18
13/16
-
-
5500-08-04
1/2
1/2-14
1/4-18
15/16
-
-
5500-08-06
1/2
1/2-14
3/8-18
15/16
-
-
5500-08-08
1/2
1/2-14
1/2-14
15/16
-
-
5500-12-06
3/4
3/4-14
3/8-18
1-1/8
-
-
5500-12-08
3/4
3/4-14
1/2-14
1-1/8
-
-
5500-12-12
3/4
3/4-14
3/4-14
1-1/8
-
-
5500-16-08
1
1-11-1/2
1/2-14
1-3/8
-
-
规格
D
A1
A2
H
L1
L2
5500-16-12
1
1-11-1/2
3/4-14
1-5/16
-
-
5500-16-16
1
1-11-1/2
1-11-1/2
1-5/16
-
-
5500-20-20
1-1/4
1-1/4-11-1/2
1-1/4-11-1/2
1-5/8
-
-
5500-24-24
1-1/2
1-1/4-11-1/2
1-1/4-11-1/2
1-7/8
-
-
5500-32-32
2
2-11-1/2
2-11-1/2
2-1/2
-
-
------分隔线----------------------------
上一篇:
快速接头组合
下一篇:没有了
Copyright © 2002-2017 山东滕州市金盟旋转接头有限责任公司 版权所有